![]() |
カリスマ自作電気楽器パフォーマー 弁慶さんのヨネミン研究・改造レポート 展示:2010年1月26日〜 |
| トップページ > 本館案内板 > 別館イベント・スペース > 第4回 |
|
●基礎研究 |
|
ヨネミン作ってみました。 で、わかったこと。 ●ボリュームでの抵抗値が上がると周波数が上がる。 ●トランスのインダクタンスが下がると音程が上がる。 ●電源電圧が上がると出力電圧が上がり、周波数範囲も高いほうに上がっていく。 ●でも電源電圧を9Vにしてボリュームの抵抗値を上げていくと、中ほどで音が「ひっくり返り」また低いほうからのスイープになる。 ●音が高くなると音量が下がる。 ●音はパリッとした感じ。 |
|
●基本回路 |

|
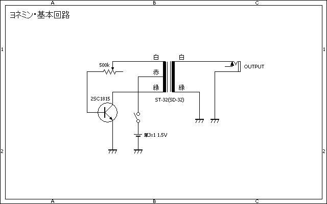
米本先生の著書に出てくるもっともシンプルな電子楽器「ヨネミン」をいろいろいじってみました。
ご参考までに。 まずは基本回路から。 |
|
●抵抗をはさんでみる |

|
やったこと: トランス一次側の白−ボリウムのブラシ間に470kΩを入れてみました。 結果: 周波数が上がったが、変化の範囲は狭くなりました。 コンデンサと抵抗を組み合わせた発振回路の場合は、抵抗値を上げると周波数が低くなっていくんですが、コイルと抵抗を組み合わせた発振回路は上がるんですね。ちょっと不思議。 範囲が狭まったのはやっぱり全体の抵抗値の変化の範囲が狭まったからで、これは納得です。 |
|
●ボリュームを大きな値のものに換えてみる |

|
やったこと: ボリュームをもっと大きな値(今回は倍の1MΩ)にしてみました。 結果: 周波数が上がり、変化の範囲も広がりました。 ↑の「固定抵抗+ボリウム」から、それとほぼ同じ1MΩのボリウムにすることで確かに変化の範囲も広がり、結果周波数の変化の範囲も広がりました。 ハデでアバンギャルドなソロをとるのにいいでしょう。SX150と互角?に戦えます。 |
|
●2次側に抵抗を入れてみる |

|
やったこと: トランスの二次側に抵抗を並列に入れてみました。 結果: 一次側のボリウムほどではないけれど、周波数が変わりました。 この発振回路は出力からの影響も受けるので、それを積極的に起こしてみようという実験です。 トランスは交流信号を磁気経由で伝える部品である、という考え方はちょっと違います。 二次側に巻かれたコイルは一次側から加えられた交流磁界を打ち消そうとして電流を作り出そうとします。発電させられているのです。 だからその結果、二次側からはその巻線比に見合った交流電流が出てくるのです。 今回の実験はさらに「発電するなら受け止めてやるからもっと電流を出さんかい」とばかりに低めの抵抗を入れることで、さらに二次側コイルに仕事をさせ、その影響が一次側にどれぐらい返るかを見たわけです。 一次側のボリウムほどではないけれど、多少は周波数が変わります。 しかもその変わり方が比例関係になく、ちょっと変わったカーブを描いています。 今回の回路では15kΩぐらいから周波数が下がり始め、あるポイントからは逆にポンと上がりました。 若い頃にちゃんと電気回路を勉強していればうまい説明が出来るんでしょうけど、当時はちょっとサボり気味だったのでうまく説明できませんがそのポイントがいわゆる「共振点」、言ってみれば「ツボ」みたいなものだったのでしょう。 あと図にも書きましたが、それほど低くない、具体的には22kΩぐらいの抵抗を並列につなぐことで、トランジスタも程よく仕事をするようになるのか「ハム(ブーンという低いノイズ)」を拾いにくくなりました。 実はどんなアンプにもこのような「並列な抵抗(入力インピーダンス)」というのが入っているんですが、概して高く、電流がかなり流れにくくなっています。 電流が流れにくいということは一次側から出るエネルギーも少なくなっていて、世の中の100Vから出てくるエネルギーのおこぼれ(電磁誘導)の影響を受けやすくなってしまいます。 それが一次側にも波及して、結果発振音が「濁って」きます。 まぁそれが一種の迫力になる、という考え方もあるんですけどね。 スマートな方法としては米本先生の著書にある「減衰くん」と合体させてしまうというのがあります。 減衰くんの正体はボリウムで、ヨネミンの二次側から出てきた電流はボリウムの両端を通って並列に流れますから一次側も程よく仕事をしますし、ボリウムのブラシとどっちかの端から出力を取れば、ツマミの角度によって音量が調整できるという一石二鳥が期待できます。 |
|
●トランスを換えてみる |

|
やったこと: トランスを、一次側インピーダンスのもっと大きいものに換えてみました。 結果: インピーダンスに反比例する形で周波数が低くなりました。 ヨネミンで使われるトランスは「ST−32」という型番で、入力インピーダンスが1.2kΩあります。 これを大体倍の2kΩのものに換えたところ、周波数が1オクターブ近く低くなりました。 ボリウムは抵抗値を高くすると周波数が上がりましたが、トランスは逆でした。 さらに一次側インピーダンスが10kΩの「SD−108」というのを見つけたので使ってみると、思ったとおり3オクターブ近く低い音が出てきました。 (SD−108は秋葉原の東京ラジオデパート3階・シオヤ電機さんで売ってます。) これでベースもいけるかと思ったんですが、もともとヨネミンの回路(ブロッキング発振回路)は波形が鋭く、低音の割合が低いのであまり「腹に来る」音にはなりません。 トロンボーンとチューバの違いに似ていなくもないですね。 |
|
●トランスに金属を近づけてみる |

|
やったこと: トランスに鉄などの金属を近づけたり遠ざけたりしてみる。 結果: 金属を近づけると、その勢いに比例して周波数が下がる。 金属を遠ざけると、その勢いに比例して周波数が上がる。 金属をじっとさせると、その距離に関わらず周波数は変わらない。 トランスは電気を磁気に変えて二次側に電気を起こさせる部品。 ということはその磁気の伝わり方を変えればインピーダンスも変わって、結果周波数も変わるだろうというところまでは想像できました。 実際やってみると「結果:」で書いたとおり、金属の変化量に応じて周波数が変わるということでした。 周波数変化の幅もそれほど大きくなく、音楽的にはほんのりビブラートがかかる程度の効果しかありません。 ちょっと厚めの鉄板の片側を固定して、その鉄板が震えるようにして、その振動のもっとも大きくなるところのすぐそばにトランスを置いて、メインの周波数はツマミで、ビブラートはその板をはじくことでビヨヨーンとやるのも面白いかもしれません。 ビジュアル的にも面白そう。 |
|
●外から信号を入れてみる |

|
やったこと: トランジスタのベース電極に抵抗とコンデンサを追加して、外から信号を入れてみました。 結果: すごいことになりました。 発振回路は自分で振るえて信号を作り出すわけですが、ここにそとから信号を加えるとどうなるかというのが知りたくなり、やってしまいました。 もともと特定の周波数で振るえていたい回路に割り込むわけですから、落ち着いて発振などしていられません。 信号が入るとその発振周波数と信号の周波数が絡み合い、スゴイ音になってきます。 CDプレーヤのラインアウトを入れてみたんですが、それはもう凶悪な音が出ました。 音が止むと普通に発振します。 20Hz以下や20kHz以上の聞こえない信号を入れるのも変化があって面白そうです。 逆に無信号時に発振を止めるシカケがあれば、一種の汚し系エフェクトにも使えなくもなさそうです。 そういう方向にも研究の余地がありそうな・・・・ |
|
●間接的にオンオフ |

|
やったこと: 電源とトランスのタップの間にトランジスタを割り込ませ、ベース電流を流したりとめたりしました。 結果: ベース電流のを流すとオン、止めるとオフになりました。 トランジスタをスイッチのように使い、電源スイッチではなく外からの電流でオンオフしてみようというワザです。 トランジスタは基本と逆の動作をする「PNPタイプ」というものを使います。 これはベース電極から電圧の低いほうに電流を流す(吸い出す)と、エミッタからコレクタに向かって電流が流れる作用を利用しています。 ベースからの電流を吸い出すキッカケが結局プッシュスイッチに似ていますが、要は「ベースから電流が出てくれればいい」わけなので、ここに別のスイッチとか、リレーとか、オープンコレクタの出力とかをつないで動作させることで、回路のオンオフがコントロールできるようになるのです。 これで何をするかというと、外部からコントロールすることで、たとえばMIDIからゲート信号を取り出してシーケンサーで動かすとか、複数のヨネミンを同時にオンオフするとか、人間ワザではできないタイミングでオンオフしてトレモロするとか、そういうことが出来るようになります。 |
|
●シンバルのチョークの感覚で |

|
やったこと: トランジスタのベースをグランドに落とすプッシュスイッチをつけました。 結果: スイッチを押すと発振がとまりました。 力の一部が入力に戻り、ある一定の周波数で振るえるのが発振の理屈なら、出力の一部が入力に戻る前に叩き落してやれば発振は止まることになる、とばかりに入力であるトランジスタのベースとグランドの間にスイッチをつけ、エミッタと同じグランドに落とすことでトランジスタをカットオフの状態にし、発振を止めようという実験でした。 スイッチを押すと発振が止まり、音の信号も止まります。つまりは意図通り。 スイッチから離すとまた発振します。 ↑のようにここにもスイッチの代わりにトランジスタを置くことで外部からの制御が可能になります。 |
|
●思い切って抜いてみました。 |

|
やったこと: トランスの鉄芯を取り去ってみました。 結果: 発振周波数が思い切り高くなりました。 抜いたトランス中心部に鉄の棒を入れると周波数が下がりました。 コイルのような磁気を使った部品は、コイルの真ん中に通る磁気(磁束)の量がその値(インダクタンス)を決めます。 トランスも通す磁気の量を確保するために鉄の芯を8の字型に配置してあり、これを取り去るとインダクタンスは激減し、その結果周波数は思い切り高くなるだろと思っていました。 確かに高くなりました。と同時にボリウムの効きも極端になり、電子楽器としてはかなり使いにくいものになってしまいました。 まるで恋人に去られたあとのココロのように鉄芯をなくしてぽっかり空いたコイルの中央に鉄の棒を入れてみました。 すると発振周波数はグンと下がり、棒の深度に応じて周波数が低くなってきます。 行きずりの人との関係でそのば限りの安堵を求める姿に例えられなくもないし、恋と磁力はかなり似ているというのもあるんですがここではあえて触れません。そっとしといてください。 |
|
●4つほど量産します。 |
|
2009年はガジェットで勝負する年なので、一つといわずに4つほどヨネミンを作ってみたいと思います。 去年作った「指先パーカッション・改」と似た感じのスタイル(5ミリシナベニヤの貼り合わせ+2ミリエンビ板)にしようと考えています。 回路は今後のことを考えて「●間接的にオンオフ」のPNPトランジスタのスイッチング機能を標準装備します。 とりあえずレイアウト図とベニヤ寸法は起こしてあります。 |
|
●パワートランジスタにしてみました。 |
|
やったこと: トランジスタを電力増幅用(パワートランジスタ:今回は2SD880)に変えてみました。 結果: 音量がわずかに増え、音も「太く」なりました。 ヨネミン量産の途中で「納得がいかないこと」が出てきたのでその対策の一環としてトランジスタを換えてみました。 そして思い切って「電力増幅用トランジスタ(パワートランジスタ)」にしたところ、音が太く大きくなりました。 他の実験でもわかったこととして「トランジスタのhfeが高いものは発振波形にハムがのりやすい」ということがあったので、hfeの低いものならと選んだのが2SD880という電力増幅用のトランジスタでした。 電力増幅用トランジスタはその名の通り大きな電流を制御する目的で作られたもので、hfeは低くなっているのが普通です(だったはずです)。 オリジナルヨネミンに使われるトランジスタはいわゆる「小信号用トランジスタ」に分類されるもので、主に電圧を大きくするために使われます。 今までのトランジスタが「敏感で繊細」と考えると、今回の2SD880は「ニブいけど力持ち」という感じになりますね。 実際のアンプでも小信号用のトランジスタで電圧を稼ぎ、電力増幅用トランジスタで電流を稼ぐという二段構えで構成されているが普通です。 お互いのいいところを知り、十分に能力が出せるところに置くというのは回路だけに限らず大事なことですよね。 だから相手のいいところも悪いところもしらなければならないわけで(ちと尾を引いてるか)。 で、低hfeを期待して換えたわけですが、もともと大きな電力を扱うものなだけにその勢いがすごく、結果電池のエネルギーを存分に引っ張りまわして音に変える、ある意味「鳴りのいい楽器」になったわけです。 多分電池の減りも早いんだろうな。 ということは使う電池によっても音が変わってくる、ということか? |
|
●ヨネミンG 4台完成!! |
|
4台のヨネミン、正確には3台のヨネミンGと1台のヨネミン・GBassが完成しました。 |

|
ヨネミンGは、外部ゲート入力(負論理)を付加し、外部から抵抗値を変えることでビッチを変える
ヨネミン・GBass(写真右端)は、「●トランスを換えてみる」で実験した成果を生かした低音のヨネミンです。 また箱もベニヤ板を貼り合わせて作るといったハンドメイド感満載の仕上がり。使い込むごとに愛着がわく(はずの)「アヒルの子」的な味わい。なかなかいい感じに仕上がっていると自負しております。 |
|
ヨネミンGのオプションや、その他のアイデアについは、また次の機会に! 弁慶 |
|
ここまで弁慶さんが説明してきたヨネミンGの研究について、
実際に弁慶さんがライブで解説している動画があります。弁慶さん制作の自作楽器たちを使った演奏もありますので、
ぜひご覧下さい。 |
| トップページ > 本館案内板 > 別館イベント・スペース > 第4回 |